Инженерный справочник DPVA.ru (ex DPVA-info)

Проект Карла III Ребане и хорошей компании
 Задвижки, фильтры, кланы, клапаны, виброкомпенсаторы ABRA
Межфланцевые прокладки. Герметики. Уплотнительные материалы

Группа в FaceBook - тыц!



Free counters!

Адрес этой страницы (вложенность) в справочнике dpva.ru:  главная страница  / / Техническая информация / / Материалы / / Металлы / / Стали и сплавы / / Стальные конструкции. Cправочные таблицы весов металлопроката и труб. +/-5%. Размеры - вес. Вес трубы. Вес металла.  / / Швеллер гнутый равнополочный из углеродистой кипящей и полуспокойной стали ГОСТ 8278-83. Размеры и вес. Справочные таблицы весов металлопроката. Справочные таблицы веса металла.


  Вы сейчас находитесь в каталоге:
   Стальные конструкции. Cправочные таблицы весов металлопроката и труб. +/-5%. Размеры - вес. Вес трубы. Вес металла.   

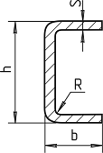
Швеллер гнутый равнополочный из углеродистой кипящей и полуспокойной стали ГОСТ 8278-83. Размеры и вес. Справочные таблицы весов металлопроката. Справочные таблицы веса металла.

Поделиться:   

Справочные таблицы весов металлопроката. Справочные таблицы веса металла. Швеллер гнутый равнополочный из углеродистой кипящей и полуспокойной стали ГОСТ 8278-83. Размеры и вес.

Швелллер гнутый
Справочные таблицы веса металла. Швеллер гнутый равнополочный из углеродистой кипящей и полуспокойной стали ГОСТ 8278-83. Размеры и вес.
h, мм b, мм S, мм R, не более, мм Масса 1 м швеллера, кг h, мм b, мм S, мм R, не более, мм Масса 1 м швеллера, кг
25 26 2 3 1,092 90 54 5 7 7,059
25 30 2 3 1,218 90 100 2,5 4 5,505
28 27 2,5 4 1,423 100 40 2,5 3 3,363
30 25 3 5 1,611 100 40 3 5 3,966
30 30 2 3 1,296 100 50 3 4 4,458
32 25 3 5 1,658 100 50 4 6 5,813
32 32 2 3 1,390 100 50 5 7 7,137
38 95 2,5 3 4,305 100 50 6 9 8,370
40 20 2 3 1,139 100 60 3 4 4,929
40 20 3 5 1,611 100 60 4 6 6,441
40 30 2 3 1,453 100 80 3 4 5,871
40 30 2,5 3 1,793 100 80 4 6 7,697
40 40 2 3 1,767 100 80 5 7 9,492
40 40 2,5 3 2,185 100 100 3 5 6,792
40 40 3 5 2,553 100 100 6 9 13,08
42 42 4 6 3,490 100 160 4 6 12,72
43 45 2 3 1,971 104 20 2 3 2,144
45 25 3 5 1,965 106 50 4 6 6,002
45 31 2 3 1,563 108 70 6 9 10,63
48 70 5 7 6,666 110 26 2,5 3 3,010
50 30 2 3 1,610 110 50 4 6 6,127
50 30 2,5 3 1,989 110 50 5 7 7,530
50 32 2,5 3 2,068 110 100 4 6 9,267
50 40 2 3 1,924 120 25 4 6 4,871
50 40 2,5 3 2,382 120 50 3 5 4,908
50 40 3 4 2,809 120 50 4 6 6,441
50 40 4 6 3,615 120 50 6 9 9,312
50 47 6 9 5,732 120 60 4 6 7,069
50 50 2,5 3 2,774 120 60 5 7 8,707
50 50 3 4 3,280 120 60 6 9 10,25
50 50 4 6 4,243 120 70 5 7 9,492
60 26 2,5 4 2,011 120 80 4 6 8,325
60 30 2,5 3 2,185 120 80 5 7 10,28
h, мм b, мм S, мм R, не более, мм Масса 1 м швеллера, кг 140 40 2,5 3 4,148
60 30 3 5 2,553 h, мм b, мм S, мм R, не более, мм Масса 1 м швеллера, кг
60 32 2,5 3 2,264 140 40 3 5 4,908
60 32 3 4 2,668 140 60 3 5 5,850
60 32 4 6 3,427 140 60 5 7 9,492
60 40 2 3 2,081 140 60 6 9 11,20
60 40 3 4 3,045 140 70 5 7 10,28
60 50 3 5 3,495 140 80 4 6 8,953
60 60 3 4 3,987 140 80 5 7 11,06
60 60 4 6 5,185 145 65 3 5 6,204
60 80 3 5 4,908 148 25 4 6 5,750
60 90 5 7 8,707 160 40 2 3 3,651
63 21 2,2 3 1,677 160 40 3 5 5,379
65 75 4 6 6,284 160 40 5 7 8,707
68 27 1 2 0,9252 160 50 2,5 4 4,916
70 30 2 3 1,924 160 50 4 6 7,697
70 40 3 5 3,260 160 50 5 7 9,492
70 50 3 5 3,731 160 50 6 9 11,20
70 50 4 6 4,871 160 60 2,5 4 5,308
70 60 4 6 5,499 160 60 3 5 6,321
78 46 6 9 6,957 160 60 4 6 8,325
80 25 4 6 3,615 160 60 5 7 10,28
80 32 4 6 4,055 160 60 6 9 12,14
80 35 4 6 4,243 160 70 4 6 8,953
80 40 2,5 3 2,970 160 80 2,5 3 6,110
80 40 3 4 3,516 160 80 3 5 7,263
80 50 4 6 5,185 160 80 4 6 9,581
80 60 3 4 4,458 160 80 5 7 11,85
80 60 4 6 5,813 160 80 6 9 14,02
80 60 6 9 8,370 160 100 3 5 8,205
80 80 3 4 5,400 160 100 6 9 15,91
80 80 4 6 7,069 160 120 5 7 14,99
80 85 4 6 7,383 160 120 6 9 17,79
80 100 6 9 12,14 160 160 6 9 21,56
90 50 3,5 5 4,869 170 60 4 6 8,639
h, мм b, мм S, мм R, не более, мм Масса 1 м швеллера, кг 170 70 5 7 11,45
h, мм b, мм S, мм R, не более, мм Масса 1 м швеллера, кг

Поиск в инженерном справочнике DPVA. Введите свой запрос:
Дополнительная информация от Инженерного cправочника DPVA, а именно - другие подразделы данного раздела:
  • Трубы стальные электросварные. Размеры - вес. Вес трубы. Справочные таблицы весов металлопроката. Справочные таблицы веса металла.
  • Размеры и вес труб стальных бесшовных по ГОСТ 8732-78 Вес трубы. Справочные таблицы весов металлопроката. Справочные таблицы веса металла.
  • Трубы толстостенные большого диаметра (ТБД) и просто трубы толстостенные размеры и вес. ГОСТ 10706-76 /ГОСТ 8732-78 Вес трубы. Справочные таблицы весов металлопроката. Справочные таблицы веса металла.
  • Размеры и вес водогазопроводных труб ГОСТ 3262-75 Вес трубы. Справочные таблицы весов металлопроката. Справочные таблицы веса металла.
  • Полоса стальная. Справочные таблицы весов металлопроката. Справочные таблицы веса металла.
  • Шестигранник. Справочные таблицы весов металлопроката. Справочные таблицы веса металла.
  • Квадрат. Справочные таблицы весов металлопроката. Справочные таблицы веса металла.
  • Лист стальной. Справочные таблицы весов металлопроката. Справочные таблицы веса металла.
  • Лист стальной рифленый Справочные таблицы весов металлопроката. Справочные таблицы веса металла.
  • Труба профильная - труба прямоугольная, труба квадратная. Вес трубы. Справочные таблицы весов металлопроката. Справочные таблицы веса металла.
  • Масса арматуры, масса горячекатаной круглой стали гладкого и периодического профиля ГОСТ 5781-82. Cправочные таблицы весов металлопроката. Справочные таблицы веса металла.
  • Круг, пруток, прокат круглый. Справочные таблицы весов металлопроката. Справочные таблицы веса металла.
  • Двутавр - балка ГОСТ 8239-89. Справочные таблицы весов металлопроката. Справочные таблицы веса металла.
  • Двутавры, балки горячекатаные с параллельными гранями ГОСТ 26020-83. Справочные таблицы весов металлопроката. Справочные таблицы веса металла.
  • Швеллер горячекатаный по ГОСТ 8240-89 и ДСТУ 3436-96 (ГОСТ 8240-97) Справочные таблицы весов металлопроката. Справочные таблицы веса металла.
  • Вы сейчас здесь: Швеллер гнутый равнополочный из углеродистой кипящей и полуспокойной стали ГОСТ 8278-83. Размеры и вес. Справочные таблицы весов металлопроката. Справочные таблицы веса металла.
  • Уголок гнутый равнополочный ГОСТ 19771-93. Размеры и вес. Справочные таблицы весов металлопроката. Справочные таблицы веса металла.
  • Уголок гнутый неравнополочный ГОСТ 19772-93. Размеры и вес. Справочные таблицы весов металлопроката. Справочные таблицы веса металла.
  • Уголок равнополочный горячекатанный по ГОСТ 8509-93. Размеры и вес. Справочные таблицы весов металлопроката. Справочные таблицы веса металла.
  • Уголок горячекатанный неравноволочный ГОСТ 8510-86. Размеры и вес. Справочные таблицы весов металлопроката. Справочные таблицы веса металла.
  • Справочник конструктора. Стальные конструкции. 2004. (Будур, Белогуров, Шимановский). Математика, сопромат. Профили, трубы, нормали, стыки, ребра жесткости, сварные и болтовые соединения, защита от коррозии, марки сталей, органичения и обозначения
  • Справочно: Сопротивление материалов. Сопромат.
  • Поиск в инженерном справочнике DPVA. Введите свой запрос:|
    Если Вы не обнаружили себя в списке поставщиков, заметили ошибку, или у Вас есть дополнительные численные данные для коллег по теме, сообщите , пожалуйста.
    Вложите в письмо ссылку на страницу с ошибкой, пожалуйста.