Инженерный справочник DPVA.ru (ex DPVA-info)

Проект Карла III Ребане и хорошей компании
 Задвижки, фильтры, кланы, клапаны, виброкомпенсаторы ABRA
Межфланцевые прокладки. Герметики. Уплотнительные материалы

Группа в FaceBook - тыц!



Free counters!

Адрес этой страницы (вложенность) в справочнике dpva.ru:  главная страница  / / Техническая информация / / Материалы / / Металлы / / Стали и сплавы / / Стальные конструкции. Cправочные таблицы весов металлопроката и труб. +/-5%. Размеры - вес. Вес трубы. Вес металла.  / / Швеллер горячекатаный по ГОСТ 8240-89 и ДСТУ 3436-96 (ГОСТ 8240-97) Справочные таблицы весов металлопроката. Справочные таблицы веса металла.


  Вы сейчас находитесь в каталоге:
   Стальные конструкции. Cправочные таблицы весов металлопроката и труб. +/-5%. Размеры - вес. Вес трубы. Вес металла.   

Швеллер горячекатаный по ГОСТ 8240-89 и ДСТУ 3436-96 (ГОСТ 8240-97) Справочные таблицы весов металлопроката. Справочные таблицы веса металла.

Поделиться:   

Справочные таблицы весов металлопроката. Справочные таблицы веса металла. Швеллер горячекатаный по ГОСТ 8240-89 и ДСТУ 3436-96 (ГОСТ 8240-97)

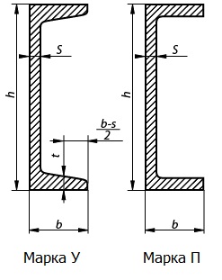
Швелллер

Справочные таблицы веса металла. Швеллер горячекатаный по ГОСТ 8240-89

Справочные таблицы веса металла. Швеллер горячекатаный по ГОСТ 8240-89
Номер швеллера серии П Размеры швеллера в миллиметрах Вес метра швеллера в кг Количество метров в тонне
h b s
П5 50 32 4,4 4,84 206,61
П6,5 65 36 4,4 5,90 169,49
П8 80 40 4,5 7,05 141,84
П10 100 46 4,5 8,59 116,41
П12 120 52 4,8 10,40 96,15
П14 140 58 4,9 12,30 81,30
П16 160 64 5,0 14,20 70,42
П18 180 70 5,1 16,30 61,35
П20 200 76 5,2 18,40 54,35
П22 220 82 5,4 21,00 47,62
П24 240 90 5,6 24,00 41,67

Справочные таблицы весов металлопроката. Справочные таблицы веса металла. Швеллер горячекатаный по ГОСТ 8240-89 и ДСТУ 3436-96 (ГОСТ 8240-97)

Справочные таблицы веса металла. Швеллер горячекатаный по ДСТУ 3436-96 (ГОСТ 8240-97)

Справочные таблицы веса металла. Швеллер горячекатаный по ДСТУ 3436-96 (ГОСТ 8240-97)
Номер швеллера
серии У
Размеры, мм Масса 1 м, кг Количество
метров в тонне, м
h b S t bgcolor="#cccccc"R bgcolor="#cccccc"r
не более
50 32 4,4 7 6 2,5 4,842 206,5
6,5У 65 36 4,4 7,2 6 2,5 5,899 169,5
80 40 4,5 7,4 6,5 2,5 7,049 141,9
10У 100 46 4,5 7,6 7 3 8,594 116,4
12У 120 52 4,8 7,8 7,5 3 10,43 95,87
14У 140 58 4,9 8,1 8 3 12,29 81,38
16У 160 64 5 8,4 8,5 3,5 14,23 70,30
15аУ 160 68 5 9 8,5 3,5 15,35 65,16
18У 180 70 5,1 8,7 9 3,5 16,26 61,50
18аУ 180 74 5,1 9,3 9 3,5 17,45 57,29
20У 200 76 5,2 9 9,5 4 18,37 54,43
22У 220 82 5,4 9,5 10 4 20,98 47,66
24У 240 90 5,6 10 10,5 4 24,06 41,56
27У 270 95 6 10,5 11 4,5 27,66 36,15
30У 300 100 6,5 11 12 5 31,78 31,47
33У 330 105 7 11,7 13 5 36,53 27,37
36У 360 110 7,5 12,6 14 6 41,91 23,86
40У 400 115 8 13,5 15 6 48,32 20,70

Поиск в инженерном справочнике DPVA. Введите свой запрос:
Дополнительная информация от Инженерного cправочника DPVA, а именно - другие подразделы данного раздела:
  • Трубы стальные электросварные. Размеры - вес. Вес трубы. Справочные таблицы весов металлопроката. Справочные таблицы веса металла.
  • Размеры и вес труб стальных бесшовных по ГОСТ 8732-78 Вес трубы. Справочные таблицы весов металлопроката. Справочные таблицы веса металла.
  • Трубы толстостенные большого диаметра (ТБД) и просто трубы толстостенные размеры и вес. ГОСТ 10706-76 /ГОСТ 8732-78 Вес трубы. Справочные таблицы весов металлопроката. Справочные таблицы веса металла.
  • Размеры и вес водогазопроводных труб ГОСТ 3262-75 Вес трубы. Справочные таблицы весов металлопроката. Справочные таблицы веса металла.
  • Полоса стальная. Справочные таблицы весов металлопроката. Справочные таблицы веса металла.
  • Шестигранник. Справочные таблицы весов металлопроката. Справочные таблицы веса металла.
  • Квадрат. Справочные таблицы весов металлопроката. Справочные таблицы веса металла.
  • Лист стальной. Справочные таблицы весов металлопроката. Справочные таблицы веса металла.
  • Лист стальной рифленый Справочные таблицы весов металлопроката. Справочные таблицы веса металла.
  • Труба профильная - труба прямоугольная, труба квадратная. Вес трубы. Справочные таблицы весов металлопроката. Справочные таблицы веса металла.
  • Масса арматуры, масса горячекатаной круглой стали гладкого и периодического профиля ГОСТ 5781-82. Cправочные таблицы весов металлопроката. Справочные таблицы веса металла.
  • Круг, пруток, прокат круглый. Справочные таблицы весов металлопроката. Справочные таблицы веса металла.
  • Двутавр - балка ГОСТ 8239-89. Справочные таблицы весов металлопроката. Справочные таблицы веса металла.
  • Двутавры, балки горячекатаные с параллельными гранями ГОСТ 26020-83. Справочные таблицы весов металлопроката. Справочные таблицы веса металла.
  • Вы сейчас здесь: Швеллер горячекатаный по ГОСТ 8240-89 и ДСТУ 3436-96 (ГОСТ 8240-97) Справочные таблицы весов металлопроката. Справочные таблицы веса металла.
  • Швеллер гнутый равнополочный из углеродистой кипящей и полуспокойной стали ГОСТ 8278-83. Размеры и вес. Справочные таблицы весов металлопроката. Справочные таблицы веса металла.
  • Уголок гнутый равнополочный ГОСТ 19771-93. Размеры и вес. Справочные таблицы весов металлопроката. Справочные таблицы веса металла.
  • Уголок гнутый неравнополочный ГОСТ 19772-93. Размеры и вес. Справочные таблицы весов металлопроката. Справочные таблицы веса металла.
  • Уголок равнополочный горячекатанный по ГОСТ 8509-93. Размеры и вес. Справочные таблицы весов металлопроката. Справочные таблицы веса металла.
  • Уголок горячекатанный неравноволочный ГОСТ 8510-86. Размеры и вес. Справочные таблицы весов металлопроката. Справочные таблицы веса металла.
  • Справочник конструктора. Стальные конструкции. 2004. (Будур, Белогуров, Шимановский). Математика, сопромат. Профили, трубы, нормали, стыки, ребра жесткости, сварные и болтовые соединения, защита от коррозии, марки сталей, органичения и обозначения
  • Справочно: Сопротивление материалов. Сопромат.
  • Поиск в инженерном справочнике DPVA. Введите свой запрос:|
    Если Вы не обнаружили себя в списке поставщиков, заметили ошибку, или у Вас есть дополнительные численные данные для коллег по теме, сообщите , пожалуйста.
    Вложите в письмо ссылку на страницу с ошибкой, пожалуйста.